Table of Contents
EVO: Electrical System
EVO - Stock Wiring Schematic Drawings (created with reference to the OEM manual)
1986-Present Sportster Main Wiring Diagrams
The drawings below have been created using the factory schematic drawings from the FSMs as reference. They are available here
but are not intended to replace the factory drawings. Some parts symbols are generic, may not represent the actual period parts
and have been spread out for clarity from the originals style drawings. However, the parts are labeled.
1986-1990 Sportster XLH
| Click on the drawing to enlarge: |
1991 Sportster XLH
| Click on the drawing to enlarge: |
Despite this drawing representing what an actual HD wiring diagram shows, the Voltage Regulator is shown connected to the wrong side of the Main Circuit Breaker. For the sake of safety, ALWAYS connect the Voltage Regulator on the opposite side of the Main Circuit Breaker from the side where the battery is connected. Please remove the Voltage Regulator connection & reconnect it to the opposite side of the Main Circuit Breaker if your bike is wired as shown on this & the HD wiring diagram.
1994 Sportster XLH
1995-1997 Sportster XLH
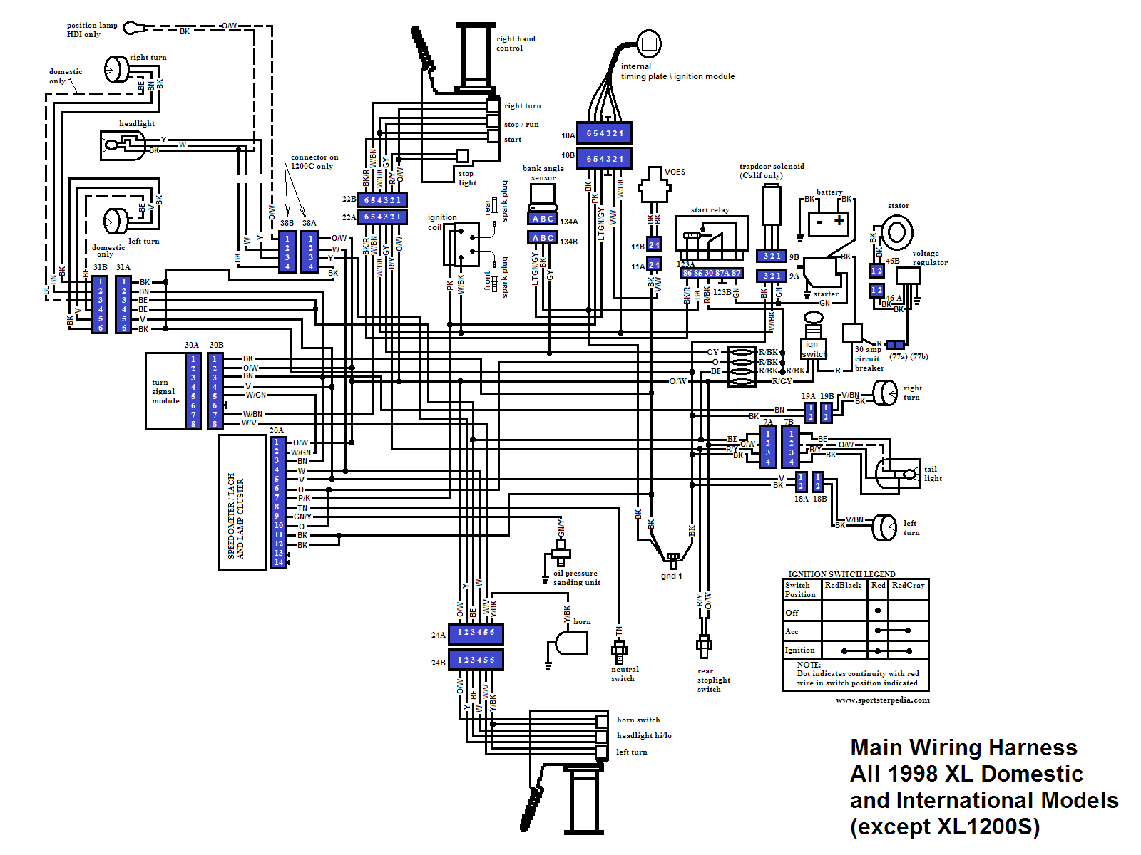
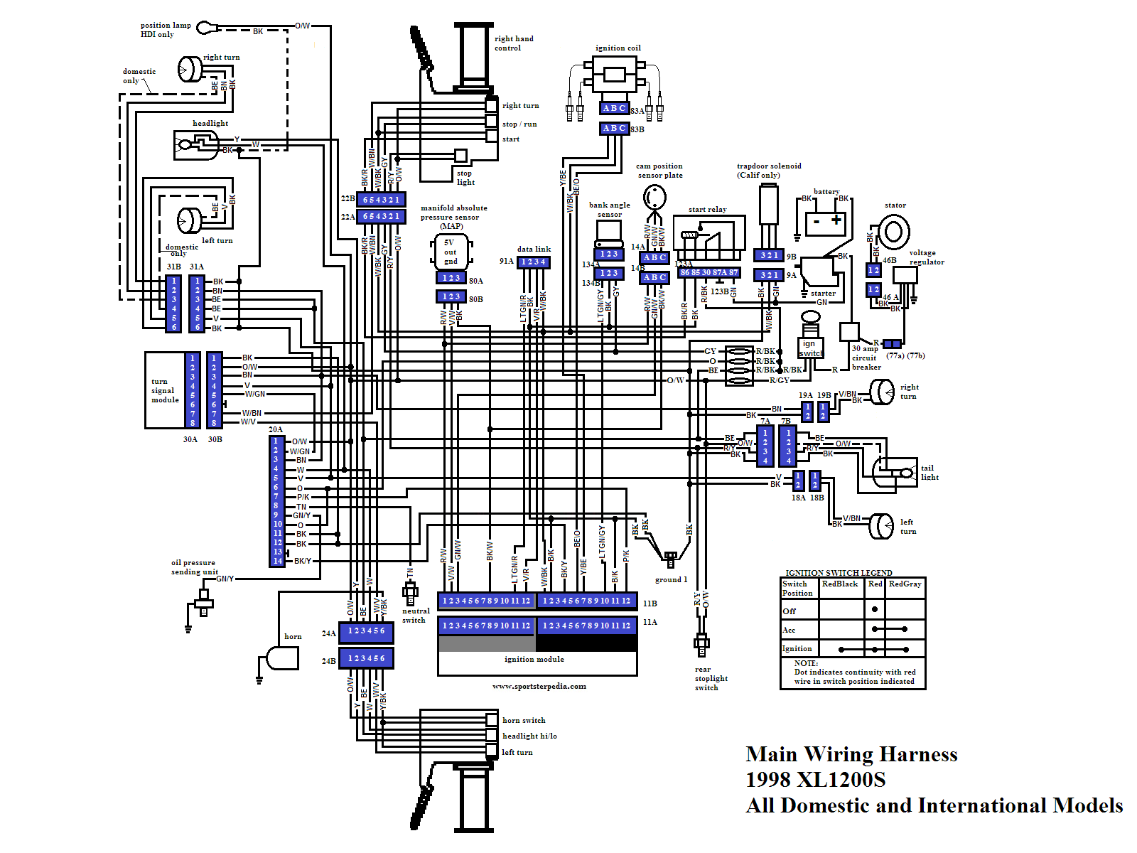
1998 All Sportsters (not 1200S)
| Click on the drawing to enlarge: |





